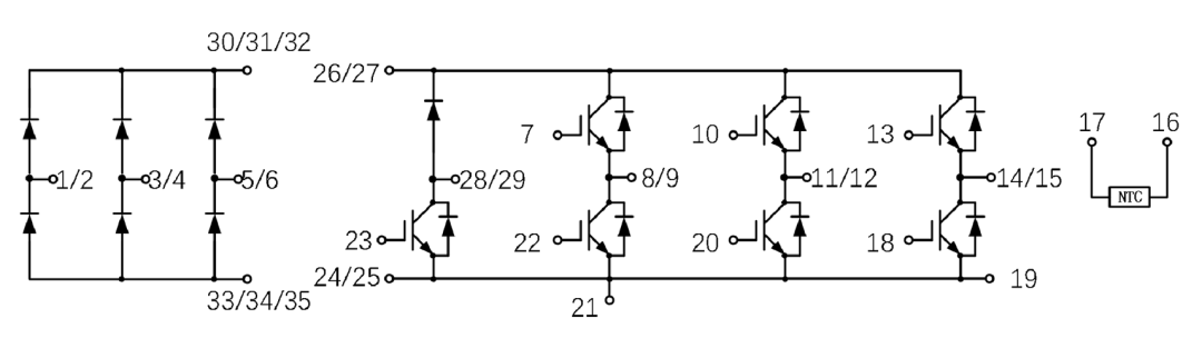
森未科技正式推出变频器用PIM模块产品SP100R12B6,规格为1200V100A。SP100R12B6采用森未科技B类封装,具体封装外形及内部电路拓扑如图1所示,设计指标对标国外某I公司第四代产品。


SP100R12B6产品封装外形及内部电路拓扑
在同样的测试条件下对某I公司**100R12KT产品与我司SP100R12B6进行了静态与动态的测试对比,具体测试结果见表1与表2:
表1 **100R12KT4/SP100R12B6 静态参数对比

表2 **100R12KT4/SP100R12B6 动态参数对比


SP100R12B6极限短路时间长达23us
SP100R12B6目前已经通过客户端30-37kw变频器工况测试验证,可靠性及功耗表现均达到业界优秀水平。